IC解密霍尼韦尔HMC5883L各向异性磁阻传感电路
IC解密霍尼韦尔HMC5883L各向异性磁阻传感电路
IC解密霍尼韦尔 HMC5883L 是一种表面贴装的高集成模块,并带有数字接口的弱磁传感器芯片,应用于低成本罗盘和磁场检测领域。HMC5883L 包括最先进的高分辨率HMC118X系列磁阻传感器,并附带霍尼韦尔专利的集成电路包括放大器、自动消磁驱动器、偏差校准、能使罗盘精度控制在1°-2°的12位模数转换器。简易的I2C 系列总线接口。HMC5883L 是采用无铅表面封装技术,带有16 引脚,尺寸为3.0×3.0×0.9mm。HMC5883L 的所应用领域有手机、笔记本电脑、消费类电子、汽车导航系统和个人导航系统。HMC5883L采用霍尼韦尔各向异性磁阻(AMR)技术,该技术领先于其他磁传感器技术。这些各向异性传感器具有在轴向高灵敏度和线性高精度的特点.传感器具有的对正交轴的低灵敏度的固相结构能用于测量地球磁场的方向和大小,其测量范围从毫高斯到8高斯(gauss)。霍尼韦尔的磁传感器在低磁场传感器行业中是灵敏度最高和可靠性最好的传感器。

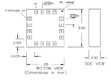
图2.2 HMC5883L传感器引脚图
通过对比各传感器特点我们了解到它们的优缺点,HMC5883L三轴磁阻传感器和ASIC都被封装在一起了,不需要外接ASIC,而12-bit ADC与低干扰AMR传感器,能在±8高斯的磁场中实现2毫高斯的分辨率,且内置驱动器,显得更为优越。霍尼韦尔的磁传感器在低磁场传感器行业中是灵敏度最高和可靠性最好的传感器。
综上结合所学知识我选择传感器方案二,使用霍尼韦尔HMC5883L各向异性磁阻传感电路。

芯片解密